Home
Servicios
Nosotros
Casos
Equipamiento
Clientes
Intranet
Contacto
More...
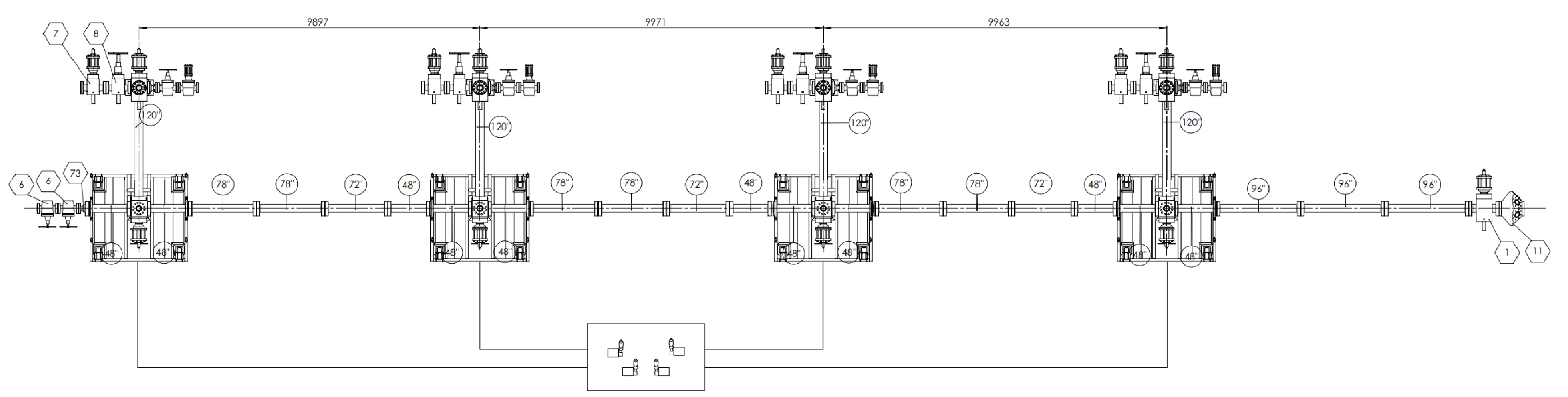
Las válvulas hidráulicas de estos montajes se abren y cierran de forma remota.
Como parte de nuestra transformación digital, creamos un panel con permisivos digitalizados que agilizan la operación y minimizan el riesgo por falla humana.